Privatsphären-Einstellungen
Neben den essentiellen (technisch notwendigen Cookies) verwenden wir auf unserer
Webseite auch Cookies bzw. andere Technologien für Marketing- und funktionale Zwecke mit
dem Ziel, unsere Dienste bestmöglich anbieten, stetig verbessern und Werbeinhalte
entsprechend der Interessen der Nutzer anzeigen zu können. Ich bin mit dem Einsatz der
Cookies aus den zuvor genannten Kategorien einverstanden und kann meine Einwilligung
jederzeit mit Wirkung für die Zukunft widerrufen oder ändern.

 
Technik
Sie sind hier: | |
Puffer
 Fragen zum Produkt ?

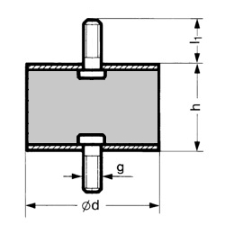
GM-Puffer Ausführung 100 - Typ A

Ausführung:	beidseitig mit Gewindebolzen
Werkstoff:	NR (Naturkautschuk)

Verwendung:
Lagerung von leichten bis mittelschweren Aggregaten, 
Elektro- und Verbrennungsmotoren, Kompressoren, Pumpen, 
Rüttel- und Vibrationsmaschinen.

Hinweis:
Andere Abmessungen und Shorehärten (weich oder hart) auf Anfrage.
 
Artikelnr.AusführungØd
mm
h
mm
l1
mm
GewindeHärteForm-Nr.  
2501001415.08.10015810M4mittel21682/A 
2501000215.15.100151513M4mittel25326/A 
2501006915.30.100153016M4mittel25259/A 
2501000820.25.100202519M6mittel31658/A 
2501000325.10.100251018,5M6mittel25388/A 
2501006225.15.100251518,5M6mittel20292a/A 
2501000425.30.100253018,5M6mittel21239/A 
2501005750.20.100502028M10mittel25332/A 
2501001050.30.100503034M10mittel25333/A 
2501006850.45.100504534M10mittel27797/A 
2501006170.45.100704525M10mittel20290/A 
2501000975.40.100754037M12mittel25327/A 
2501006775.55.100755537M12mittel25336/A 
25010066100.40.1001004043M16mittel25334/A 
25010005100.55.1001005543M16mittel25335/A 
25010056100.75.1001007543M16mittel25328/A 

Zurück

ISO ZertifikatReinshagen Technik GmbH & Co. KG

Kilianstraße 150
90425 Nürnberg

Tel. 0911 36107-0
Fax 0911 36107-20
info@reinshagen.de
Mo bis Do:7:30 - 16:30 Uhr
Fr:7:30 - 14:15 Uhr
AGB
Kontakt
Impressum
Datenschutz
ISO Zertifikat
Reinshagen Technik GmbH & Co. KG

Kilianstraße 150
90425 Nürnberg


Tel. 0911 36107-0
Fax 0911 36107-20
info@reinshagen.de

Mo bis Do:7:30 - 16:30 Uhr
Fr:7:30 - 14:15 Uhr

AGB
Kontakt
Impressum
Datenschutz

ISO Zertifikat

ISO Zertifikat