Privatsphären-Einstellungen
Neben den essentiellen (technisch notwendigen Cookies) verwenden wir auf unserer
Webseite auch Cookies bzw. andere Technologien für Marketing- und funktionale Zwecke mit
dem Ziel, unsere Dienste bestmöglich anbieten, stetig verbessern und Werbeinhalte
entsprechend der Interessen der Nutzer anzeigen zu können. Ich bin mit dem Einsatz der
Cookies aus den zuvor genannten Kategorien einverstanden und kann meine Einwilligung
jederzeit mit Wirkung für die Zukunft widerrufen oder ändern.

 
Technik
Sie sind hier: | |
Schienen
 Fragen zum Produkt ?

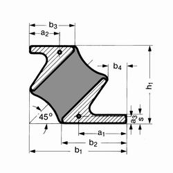
Ausführung 1200

Ausführung:	beidseitig mit Metallauflage
Werkstoff:	NR (Naturkautschuk)

Verwendung:
Für Schräglagerung, erspart die Herstellung von Befestigungskonsolen.

Härte:	mittel
Fabrikat:	SM
 
Artikelnr.AusführungLänge (L)b1b2 mmb3h1
mm
Form-Nr.  
25060006108.80.12007510876488038537 
25060007108.80.120020010876488038538 
25060015144.106.12002001441056710638540 

Zurück

ISO ZertifikatReinshagen Technik GmbH & Co. KG

Kilianstraße 150
90425 Nürnberg

Tel. 0911 36107-0
Fax 0911 36107-20
info@reinshagen.de
Mo bis Do:7:30 - 16:30 Uhr
Fr:7:30 - 14:15 Uhr
AGB
Kontakt
Impressum
Datenschutz
ISO Zertifikat
Reinshagen Technik GmbH & Co. KG

Kilianstraße 150
90425 Nürnberg


Tel. 0911 36107-0
Fax 0911 36107-20
info@reinshagen.de

Mo bis Do:7:30 - 16:30 Uhr
Fr:7:30 - 14:15 Uhr

AGB
Kontakt
Impressum
Datenschutz

ISO Zertifikat

ISO Zertifikat