Privatsphären-Einstellungen
Neben den essentiellen (technisch notwendigen Cookies) verwenden wir auf unserer
Webseite auch Cookies bzw. andere Technologien für Marketing- und funktionale Zwecke mit
dem Ziel, unsere Dienste bestmöglich anbieten, stetig verbessern und Werbeinhalte
entsprechend der Interessen der Nutzer anzeigen zu können. Ich bin mit dem Einsatz der
Cookies aus den zuvor genannten Kategorien einverstanden und kann meine Einwilligung
jederzeit mit Wirkung für die Zukunft widerrufen oder ändern.

 
Technik
Sie sind hier: | |
U-V-W-Teile
 Fragen zum Produkt ?

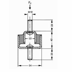
MEGI®-U-Lager # 782 001

Das Megi-U-Lager eignet sich zur stoßmindernden bzw. schwingungsisolierten Lagerung 
von Apparaten und Geräten, wobei die Stoß- bzw. Erregerkräfte klein bleiben müssen.

Besondere Eigenschaften
- Weiche Lagerung
- Verschiedene Steifigkeiten in drei Raumrichtungen (U-Lager)

Einsatzbeispiele
- Lagerung von empfindlichen Apparaten, Vorrichtungen, Meßgeräten, Instrumenten.

Mögliche Belastungsarten/-richtungen
- Z

Statische Belastungsgrenzen
- 950 N

Hinweise
- Festigkeitsklasse der zentralen Verschraubung: 5.
- Andere Festigkeitsklasse auf Anfrage.
- Keine Zugbeanspruchung des Elastomers zulässig.
 
Artikelnr.BreiteLänge mmHöheHärteForm-Nr.FabrikatShore Härte  
25100116505486weich782 001MEGI45 Shore 
25100083505486mittel782 001MEGI60 Shore 

Zurück

ISO ZertifikatReinshagen Technik GmbH & Co. KG

Kilianstraße 150
90425 Nürnberg

Tel. 0911 36107-0
Fax 0911 36107-20
info@reinshagen.de
Mo bis Do:7:30 - 16:30 Uhr
Fr:7:30 - 14:15 Uhr
AGB
Kontakt
Impressum
Datenschutz
ISO Zertifikat
Reinshagen Technik GmbH & Co. KG

Kilianstraße 150
90425 Nürnberg


Tel. 0911 36107-0
Fax 0911 36107-20
info@reinshagen.de

Mo bis Do:7:30 - 16:30 Uhr
Fr:7:30 - 14:15 Uhr

AGB
Kontakt
Impressum
Datenschutz

ISO Zertifikat

ISO Zertifikat