Privatsphären-Einstellungen
Neben den essentiellen (technisch notwendigen Cookies) verwenden wir auf unserer
Webseite auch Cookies bzw. andere Technologien für Marketing- und funktionale Zwecke mit
dem Ziel, unsere Dienste bestmöglich anbieten, stetig verbessern und Werbeinhalte
entsprechend der Interessen der Nutzer anzeigen zu können. Ich bin mit dem Einsatz der
Cookies aus den zuvor genannten Kategorien einverstanden und kann meine Einwilligung
jederzeit mit Wirkung für die Zukunft widerrufen oder ändern.

 
Technik
Sie sind hier: | |
Konen
 Fragen zum Produkt ?

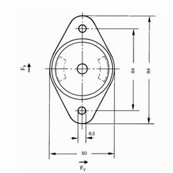
MEGI®-Konen # 786 021 S1

Max. Vorspannkraft der zentralen Verschraubung auf das Koneninnenteil FV = 20 kN

Sonderausführung, die speziell für die Lagerung von Kolbenmaschinen verwendet wird. 
Das Lager ist radial in Querrichtung ausgespart, da es in Querrichtung wesentlich weicher 
als in Längsrichtung ist.

Besondere Eigenschaften
- Durch Anschlagscheiben axial progressiv und abreißsicher
- Sehr gute horizontale Führung
- Optional unterschiedliche Horizontalsteifigkeiten

Einsatzbeispiele
- Lagerung von E- und Verbrennungsmotoren, Karosserieaufbauten, Kompressoren.

Mögliche Belastungsarten/-richtungen
- X, Y, Z
- Zusammengesetzte Beanspruchungen

Statische Belastungsgrenzen
- FZ max. bis 21 kN

Hinweise
- Festigkeitsklasse der zentralen Verschraubung: 5.
- Andere Festigkeitsklasse auf Anfrage.
- Keine Zugbeanspruchung des Elastomers zulässig.
- Höhenverstellung nicht vollständig ausnutzen.
 
Artikelnr.BreiteLänge mmHöheHärteForm-Nr.Fabrikat  
25080015508430,5weich786 021 S1MEGI 
25080005508430,5mittel786 021 S1MEGI 
25080016508430,5hart786 021 S1MEGI 

Zurück

ISO ZertifikatReinshagen Technik GmbH & Co. KG

Kilianstraße 150
90425 Nürnberg

Tel. 0911 36107-0
Fax 0911 36107-20
info@reinshagen.de
Mo bis Do:7:30 - 16:30 Uhr
Fr:7:30 - 14:15 Uhr
AGB
Kontakt
Impressum
Datenschutz
ISO Zertifikat
Reinshagen Technik GmbH & Co. KG

Kilianstraße 150
90425 Nürnberg


Tel. 0911 36107-0
Fax 0911 36107-20
info@reinshagen.de

Mo bis Do:7:30 - 16:30 Uhr
Fr:7:30 - 14:15 Uhr

AGB
Kontakt
Impressum
Datenschutz

ISO Zertifikat

ISO Zertifikat