Privatsphären-Einstellungen
Neben den essentiellen (technisch notwendigen Cookies) verwenden wir auf unserer
Webseite auch Cookies bzw. andere Technologien für Marketing- und funktionale Zwecke mit
dem Ziel, unsere Dienste bestmöglich anbieten, stetig verbessern und Werbeinhalte
entsprechend der Interessen der Nutzer anzeigen zu können. Ich bin mit dem Einsatz der
Cookies aus den zuvor genannten Kategorien einverstanden und kann meine Einwilligung
jederzeit mit Wirkung für die Zukunft widerrufen oder ändern.

 
Technik
Sie sind hier: | |
Lager
 Fragen zum Produkt ?

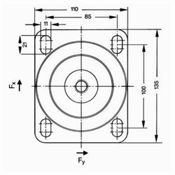
MEGI®-Lager # 742 034 S9

Dieses Rundelement ist als Stehlager ausgeführt und für die elastische Lagerung von 
Motoren und stationären Aggregaten geeignet. Durch die obere und untere Anschlagplatte 
sind die vertikalen Federwege in Druck- und Zugrichtung begrenzt und eine Überlastung 
des Lagers ausgeschlossen.

Besondere Eigenschaften
- Besondere Steifigkeitsverhältnisse vertikal/horizontal
- Einfache Befestigung über das Gehäuse

Einsatzbeispiele
- Lagerung von E- und Verbrennungsmotoren, Kompressoren.

Mögliche Belastungsarten/-richtungen
- X, Y, Z
- Zusammengesetzte Beanspruchungen

Statische Belastungsgrenzen
- FZ max. bis 6 kN

Hinweise
- Festigkeitsklasse der zentralen Verschraubung: 5.
- Andere Festigkeitsklasse auf Anfrage.
- Keine Zugbeanspruchung des Elastomers zulässig.
 
Artikelnr.BreiteLänge mmHöheHärteForm-Nr.FabrikatShore Härte  
2510011313511069,5hart742 034 S9MEGI60 Shore 

Zurück

ISO ZertifikatReinshagen Technik GmbH & Co. KG

Kilianstraße 150
90425 Nürnberg

Tel. 0911 36107-0
Fax 0911 36107-20
info@reinshagen.de
Mo bis Do:7:30 - 16:30 Uhr
Fr:7:30 - 14:15 Uhr
AGB
Kontakt
Impressum
Datenschutz
ISO Zertifikat
Reinshagen Technik GmbH & Co. KG

Kilianstraße 150
90425 Nürnberg


Tel. 0911 36107-0
Fax 0911 36107-20
info@reinshagen.de

Mo bis Do:7:30 - 16:30 Uhr
Fr:7:30 - 14:15 Uhr

AGB
Kontakt
Impressum
Datenschutz

ISO Zertifikat

ISO Zertifikat