Privatsphären-Einstellungen
Neben den essentiellen (technisch notwendigen Cookies) verwenden wir auf unserer
Webseite auch Cookies bzw. andere Technologien für Marketing- und funktionale Zwecke mit
dem Ziel, unsere Dienste bestmöglich anbieten, stetig verbessern und Werbeinhalte
entsprechend der Interessen der Nutzer anzeigen zu können. Ich bin mit dem Einsatz der
Cookies aus den zuvor genannten Kategorien einverstanden und kann meine Einwilligung
jederzeit mit Wirkung für die Zukunft widerrufen oder ändern.

 
Technik
Sie sind hier: | |
Ringpuffer
 Fragen zum Produkt ?

MEGI®-Ringpuffer

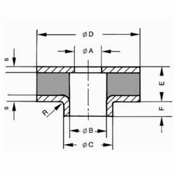
Megi-Ringpuffer sind ringförmige Gummimetallteile, bei denen die Zentrierung durch einen Kragen 
an einer der beiden Metallplatten erfolgt. Megi-Ringpuffer können auf Druck und Schub beans-
prucht werden. Megi-Ringpuffer werden paarweise gegeneinander vorgespannt verwendet für 
elastische Lagerungen, bei denen Zugkräfte auftreten.

Besondere Eigenschaften
- Als Zug-/Druckfederpaket zusammenstellbar
- Einfache Befestigung

Einsatzbeispiele
- Lagerung von leichten bis mittelschweren Maschinen und Aggregaten, E- und 
  Verbrennungsmotoren, Kabinen, Rohrleitungen und Geräteschränken.

Mögliche Belastungsarten/-richtungen
- Druck

Statische Belastungsgrenzen
- Druck: 6,1 kN (einzelner Ringpuffer)

Hinweise
- Durch das Vorspannen zweier Ringpuffer gegeneinander ergibt sich insgesamt die 
  doppelte Druck-Federsteifigkeit des einzelnen Ringpuffers. 
- Innendurchmesser (Maß B) der Form-Nr. 741 027/-092 ist gummibeschichtet


 
Artikelnr.CE mmFD
mm
A mmB mmForm-Nr.  
2510004218104368,512741 027 
2510005720833616,616,6741 092 
2510003823139,55016,520741 020 
25100041271310,56020,524741 026 

Zurück

ISO ZertifikatReinshagen Technik GmbH & Co. KG

Kilianstraße 150
90425 Nürnberg

Tel. 0911 36107-0
Fax 0911 36107-20
info@reinshagen.de
Mo bis Do:7:30 - 16:30 Uhr
Fr:7:30 - 14:15 Uhr
AGB
Kontakt
Impressum
Datenschutz
ISO Zertifikat
Reinshagen Technik GmbH & Co. KG

Kilianstraße 150
90425 Nürnberg


Tel. 0911 36107-0
Fax 0911 36107-20
info@reinshagen.de

Mo bis Do:7:30 - 16:30 Uhr
Fr:7:30 - 14:15 Uhr

AGB
Kontakt
Impressum
Datenschutz

ISO Zertifikat

ISO Zertifikat